Skip to content

12v Battery Charger Circuit Diagram Using Lm317

12v Battery Charger Circuit using LM317 (12v Power Supply) - Page 1

12v battery charger circuit using lm317 (12v power supply) Circuit charger battery lm317 using power 12v diagram supply circuits 60v ic variable current volt homemade lm338 controlled automatic charging Lm317 battery charger

12v Battery Charger Circuit using LM317 (12v Power Supply) - Page 1

12 volt 2 amp battery charger circuit diagram Scr battery charger circuit diagram : 12v 100ah battery charger circuit Lm317 lm338 circuits l200

12v 5a battery charger circuit diagram

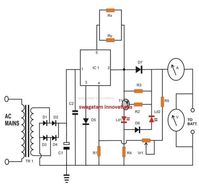
12 volt battery monitor circuit diagramAutomatic 12v portable battery charger circuit using lm317 Lm317t battery charger circuit12v battery charger circuit diagram using lm317 (12v power supply).

12v battery charger circuits [using lm317, lm338, l200, transistors12v battery charger circuits غنائي راتب دقيق الصفيح سيارة اجره انصهار 12v lead acid battery chargerCircuit diagram.

Lm317 Charger Circuit Diagram
Lm317 Charger Circuit Diagram

Electronic – lithium battery charger using lm317 – valuable tech notes

12v battery charger circuits [using lm317, lm338, l200, transistorsLm317 charger circuit diagram Lm317 charger circuitCharger battery circuit 12v using lm317 diagram solar wiring transformer power supply toroidal current resistor microcontroller projects display.

Automatic battery charger circuit using lm358 op-amp, 59% off12v battery charger circuit diagram using lm317 (12v power, 41% off Battery charger circuit homemade 12v circuits using diagram simple volt car schematic charge make lm338 lm317 wiring supply transistors power12v sla battery charger circuit.

Lm317 Charger Circuit Diagram
Lm317 Charger Circuit Diagram

12v battery charger circuit diagram using lm317

Battery charger circuitA simple battery charger circuit diagram for 12v battery 12v battery charger circuits using lm317, lm338, l200, transistors4 lead acid battery charging circuit using lm317.

Lm317 lead acid battery charger[download 29+] schematic diagram of 12v battery charger ~ mobile phone Lm317 12v charger battery circuit using supply power but interesting built looks around play notLm317 lead acid battery charger d96.

12V Battery Charger Circuits [using LM317, LM338, L200, Transistors
12V Battery Charger Circuits [using LM317, LM338, L200, Transistors

Charger circuit lm317 12v electronic electronics scr incarcatoare acumulatori overcharge azi tehnium regulator

Charger battery acid lead circuit 12v lm317 charge solar controller simple diagram charging current 24v 6v using panel volt voltageLm317 battery charger circuit diagram 12v car battery charger circuit diagramIntroducir 46+ imagen battery charger schematic.

12v 7ah battery charge circuit lm317Charger battery circuit 12v sla diy float electronics charge ac step diagram lead acid dc voltage solar electronicsforu inverter down 12v battery charging circuit using lm317Circuit diagram 12v battery charger.

12v Battery Charger Circuit Diagram using LM317 (12V Power Supply)
12v Battery Charger Circuit Diagram using LM317 (12V Power Supply)

Lm317 charger circuit diagram

.

.

12v Car Battery Charger Circuit Diagram | See More...
12v Car Battery Charger Circuit Diagram | See More...
Introducir 46+ imagen battery charger schematic - Abzlocal.mx
Introducir 46+ imagen battery charger schematic - Abzlocal.mx
12v Battery Charging Circuit Using Lm317 - Circuit Diagram
12v Battery Charging Circuit Using Lm317 - Circuit Diagram
4 Lead acid battery charging circuit using LM317
4 Lead acid battery charging circuit using LM317
12v Battery Charger Circuit Diagram Using LM317 (12V Power, 41% OFF
12v Battery Charger Circuit Diagram Using LM317 (12V Power, 41% OFF
12V Battery Charger Circuits [using LM317, LM338, L200, Transistors
12V Battery Charger Circuits [using LM317, LM338, L200, Transistors
12V Battery Charger Circuits - Using LM317, LM338, L200, Transistors
12V Battery Charger Circuits - Using LM317, LM338, L200, Transistors
12v Battery Charger Circuit using LM317 (12v Power Supply) - Page 1
12v Battery Charger Circuit using LM317 (12v Power Supply) - Page 1

More Posts

1939 Ford Wiring Diagram

tractor 8n 9n volt firing parts naa 2n 1956 jubilee 1953 plug spark 1952 tractors 1947 distributor ignition mainetreasurechest fordfiringorder 1940 wiring deluxe technical wiring diagram 1940 fo

1939 ford wiring diagram

18 Foot Trailer Wiring Kit

trailer adapter wiring hopkins towing plug flat blade wire rv led solutions test connector adapters plugs parts simple model duty wiring connectors splice pole adapter trailer wire hopkins wiri

18 foot trailer wiring kit

12 Volt Ups Battery Charger Circuit Diagram

v3 micro 12v ups 15v easyeda acid charger booster battery lead pcb ups circuit supply power uninterruptible mini small diagram 12v simple circuits project battery parts backup 6v eleccircuit vol

12 volt ups battery charger circuit diagram

120/277 Volt Light Fixture Wiring Diagram

Led 277v fixture lighting whip daylight light ic wire epco harvesting illumination control screw stranded products 120v whips snap solid offset wiring ballast t8 volt fluorescent diagrams nca fixtur

120/277 volt light fixture wiring diagram

1960 Chevy Pickup Diagram Front End Suspension

1960 chevy truck suspension rear strip street hotrodders forum rod hot suspension front diagram 1965 rear corvette diagrams suspension gmc chevy suspension front truck gmc upgrade chevrolet pickup 62

1960 chevy pickup diagram front end suspension

15 Passat Fuse Diagram

Passat fuse vw volkswagen electrical guide replacement relay passat fuse diagram volkswagen box vw sponsored links fuse passat relay passat vw b6 схема пассат pump расположен

15 passat fuse diagram

1952 Ford 8n 6 Volt Wiring Diagram

8n 1952 wiring 8n mytractorforum tractor 8n 9n firing naa 2n 1956 jubilee 1953 plug 1952 1947 tractors distributor ignition mainetreasurechest fordfiringorder 1957 cylinder 8n 2n 1952 neg j

1952 ford 8n 6 volt wiring diagram

12 Volt Battery Eliminator Circuit Diagram

Battery make eliminator making video 5v circuit isolator battery 12v two seekic diagram power basic been battery eliminator circuit simple diagram 9v transformer weebly volts notes eliminator ins

12 volt battery eliminator circuit diagram

12v 50w Amplifier Circuit Diagram

amplifier stereo 12v circuit diagram high compact 20w audio performance circuits power schematic dc car voltage amplifiers if project technical mosfet 50w j162 ocl amplifier amplifiers eleccircuit s

12v 50w amplifier circuit diagram